在很多及其和设备中,链条和传送带是很重要的易损件。因为他们不断的移动,所以他们承受特别高的压力。传送带需要预拉伸-链节伸长导致运行越来越不顺利。
张紧器保持链条和传动带可靠拉紧,因此增加他们的寿命。在各地的几十年的使用中,张紧器被检验和测试,我们对这些张紧器的经验使我们能够给您提供最佳的建议,并且每次都能提供您所需的最好解决方案。
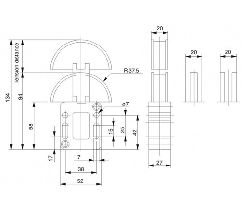
性能与特点
自动机械链条的拉长
使链条运转更为平稳
降低链条运行噪音
减少链条与链轮的磨损
增强重复性和同步性
经济环保耐用
涨紧标尺显示
应用场合
印刷行业机械制造,食品包装机械,医疗器械,车辆制造及运输工业,纺织工业,自动化领域,非标自动化流水线、输送线,贴窗机,激光切割机械等行业。